Notre série RCS, grâce à la conception professionnelle et à la production technique, répond aux divers besoins du sceau de joint de tige de piston qui tourne les phoques, fournissant des solutions précises des scénarios généraux aux conditions de travail extrêmes.
En termes de conception structurelle, les modèles de base sont centrés sur la stabilité et la facilité d'utilisation: RCS101 / 103 améliore la stabilité de l'intégration par des joints toriques pré-serrés ou des lèvres auxiliaires, en particulier pour les traits courts; RCS102 / 104R / 117R prend en charge des pressions plus élevées en optimisant la compatibilité des matériaux et des rainures (tels que RCS102R pour les scénarios à haute pression Groove standard). Pour les systèmes pneumatiques, RCS105 / 205 adopte une conception de lèvres spéciale pour maintenir le film d'huile lubrifiant et s'adapter aux environnements de lubrification / non-lubrification.
Ruichen Seals se concentre également sur l'innovation matérielle et fonctionnelle. Des modèles tels que RCS118 / 119/124-129 utilisent du polytétrafluoroéthylène (PTFE) ou du polyuréthane comme corps principal, combiné avec des ressorts de Mander ou des joints tâches pour équilibrer la pression, pour atteindre une faible frottement, une usure anti-séchage et une résistance à la corrosion, répondre à la propreté et aux besoins élevés de résistance à la température des équipements chimiques et de remplissage des aliments. RCS129 peut former un système d'étanchéité avec RCS101, qui convient aux machines à pied et aux équipements hydrauliques lourds; RCS126-128 optimise le scellement à basse pression par le biais de conception asymétrique en V et est personnalisée pour l'industrie pharmaceutique et chimique.
Pour les conditions de travail complexes, le RCS120 / 138 et d'autres joints à double action ont intégré la conception du cycle de support, qui est résistant à la haute pression et à la distorsion et s'adapte aux rainures compactes; Le RCS131 est un substitut en joint torique, qui est à la fois résistant à l'extrusion et à la résistance chimique, et est devenu le choix préféré de l'industrie alimentaire et pharmaceutique. Et RCS116 / 216 peuvent rapidement réparer les anciens cylindres grâce à l'installation du luminaire pour réduire les coûts des temps d'arrêt.
La série RCS aide les clients à faire face à la haute pression, à la vitesse élevée, aux médias corrosifs et aux défis spéciaux de l'industrie et à l'amélioration de la fiabilité et de la vie des équipements.
Caractéristiques et applications du produit:
Les joints de rotation à tige de piston conviennent aux cylindres et cylindres hydrauliques, aux véhicules d'ingénierie, aux machines agricoles, aux grues et aux équipements hydrauliques marins, aux machines-outils.
Utilisé dans les machines industrielles lourdes, les presses, l'industrie chimique, les cylindres d'huile rapide et l'industrie alimentaire des machines de positionnement, l'industrie pharmaceutique.
Avantages
Les joints de rotation de tige de piston sont intégrés dans la rainure de manière stable, avec une large plage de températures, d'excellentes performances d'étanchéité statiques et dynamiques et une forte capacité de récupération d'huile résiduelle dans des conditions dynamiques. Faible frottement, pas de rampe, résistance à l'usure élevée, valeurs statiques faibles et frottements, seulement de bonnes performances anti-extrusion, une bonne conductivité thermique et une large plage de températures.
Convient pour les vieilles tiges de piston, type ouvert facile à installer rampant.

RCS101
Taille de commande
Φd ...... diamètre extérieur
Φd ...... diamètre intérieur
L ...... Largeur de groove
| Finition de surface | R tmax (μm) | RA (μM) |
| Joints de conduite en caoutchouc / polyuréthane de surface coulissante Sceaux PTFE correspondant à la surface coulissante | ≤2,5 ≤2 | ≤0,1-0.5 ≤0,05-0.3 |
| Groove Bottom Côté rainure | ≤6,3 ≤15 | ≤1,6 ≤3 |
| Rapport de longueur de support du profil TP | 50% -95% |
|
| Tolérance | |
| Φd | f8 |
| Φd | H10 |
Exemple de commande
Modèle: RCS101
Groove Taille: 100x115x10
Matériel: RC-PU-H

Type d'étanchéité: RCS101, RCS102, RCS103, RCS104, RCS205, RCS106, RCS107, RCS108, RCS117, RCS121
Application principale: adapté aux cylindres hydrauliques et pneumatiques
Avantages: intégration stable dans la rainure, large plage de températures, excellentes performances d'étanchéité statiques et dynamiques, forte capacité d'extraction d'huile résiduelle dans des conditions dynamiques.
Matériau: polyuréthane, caoutchouc
| Exemples de rainure | Voici les dimensions de rainure standard (les joints de poussière de toute taille dans la plage de taille peuvent être produits) | ||||||||
![]() |
![]() |
Φd | Φd | L | c / s | Écart d'extrusion maximal | |||
| 100 bar | 250BAR | 400 bar | |||||||
| 5-24.9 | Φd + 8 | 6.3 | 4 | 0.50 | 0.35 | 0.25 | |||
| 25-49.9 | Φd + 10 | 8 | 5 | 0.50 | 0.35 | 0.25 | |||
| 50-149.9 | Φd + 15 | 10 | 7.5 | 0.50 | 0.35 | 0.25 | |||
| 150-229.9 | Φd + 20 | 14 | 10 | 0.50 | 0.35 | 0.25 | |||
| 300-499.9 | Φd + 25 | 17 | 12.5 | 0.50 | 0.35 | 0.25 | |||
| 500-699.9 | Φd + 30 | 25 | 15 | 0.50 | 0.35 | 0.25 | |||
| > 700 | Φd + 40 | 32 | 20 | 0.60 | 0.40 | 0.30 | |||
| > 1000 | Φd + 50 | 40 | 25 | 0.70 | 0.50 | 0.40 | |||

RCS109
Taille de commande
Φd ...... diamètre extérieur
Φd ...... diamètre intérieur
L ...... Largeur de groove
|
Finition de surface |
R tmax (μm) |
RA (μM) |
|
Joints de conduite en caoutchouc / polyuréthane de surface coulissante Sceaux PTFE correspondant à la surface coulissante |
≤2,5
≤2 |
≤0,1-0.5
≤0,05-0.3 |
|
Groove Bottom Côté rainure |
≤6,3 ≤15 |
≤1,6 ≤3 |
|
Rapport de longueur de support du profil TP |
50% -95% |
|
|
Tolérance |
|
|
Φd |
f8 |
|
Φd |
H10 |
Exemple de commande
Modèle: RCS109
Groove Taille: 100x115.1x6.3
Matériel: PTFE3 + NBR

Type d'étanchéité: RCS109
Application principale: véhicules d'ingénierie, machines agricoles, grues, équipement hydraulique marin, machines-outils.
Avantages: Faible frottement, pas de fluage, résistance à l'usure élevée, seulement bonnes performances anti-extrusion, bonne conductivité thermique, rainure d'incorporation stable, large plage de températures.
Matériau: tétrafluoroéthylène, caoutchouc nitrile ou caoutchouc de fluor
|
Exemples de rainure |
Voici les dimensions de rainure standard (les joints de poussière de toute taille dans la plage de taille peuvent être produits) |
||||||||
|
|
|
Φd |
Φd |
L |
c / s |
Écart d'extrusion maximal |
|||
|
100 bar |
200 bar |
400 bar |
|||||||
|
5-7,9 |
Φd + 4.9 |
2.2 |
2.45 |
0.30 |
0.20 |
0.15 |
|||
|
8-18.9 |
Φd + 7.3 |
3.2 |
3.64 |
0.40 |
0.25 |
0.15 |
|||
|
19-37.9 |
Φd + 10.7 |
4.2 |
5.35 |
0.40 |
0.25 |
0.20 |
|||
|
38-199.9 |
Φd + 15.1 |
6.3 |
7.55 |
0.50 |
0.30 |
0.20 |
|||
|
200-255.9 |
Φd + 20,5 |
8.1 |
10.25 |
0.60 |
0.35 |
0.25 |
|||
|
256-649.9 |
Φd + 24 |
8.1 |
12 |
0.60 |
0.35 |
0.25 |
|||
|
650-1000 |
Φd + 27,3 |
9.5 |
13.65 |
0.70 |
0.50 |
0.30 |
|||
|
> 1000 |
Φd + 38 |
13.8 |
19 |
1.00 |
0.70 |
0.50 |
|||

RCS110-112
Taille de commande
Φd ...... diamètre extérieur
Φd ...... diamètre intérieur
L ...... Largeur de groove
|
Finition de surface |
R tmax (μm) |
RA (μM) |
|
Joints de conduite en caoutchouc / polyuréthane de surface coulissante Sceaux PTFE correspondant à la surface coulissante |
≤2,5
≤2 |
≤0,1-0.5
≤0,05-0.3 |
|
Groove Bottom Côté rainure |
≤6,3 ≤15 |
≤1,6 ≤3 |
|
Rapport de longueur de support du profil TP |
50% -95% |
|
|
Tolérance |
|
|
Φd |
f8 |
|
Φd |
H10 |
Exemple de commande
Modèle: RCS110-112
Groove Taille: 100x120x32
Matériel: rc-pu-h + pom

Type d'étanchéité: RCS110-112, RCS126-128
Application principale: pour les machines industrielles lourdes, les presses
Avantages: Convient pour les vieilles cannes de piston, type ouvert facile à installer Creeper
Matériau: polyuréthane, polyoxyméthylène, nylon
|
Exemples de rainure |
Voici les dimensions de rainure standard (les joints de poussière de toute taille dans la plage de taille peuvent être produits) |
|||||
|
|
|
Φd |
Φd |
L |
c / s |
|
|
10-39.9 |
Φd + 10 |
16 |
5 |
|||
|
40-74.9 |
Φd + 15 |
25 |
7.5 |
|||
|
75-149.9 |
Φd + 20 |
32 |
10 |
|||
|
150-199.9 |
Φd + 25 |
40 |
12.5 |
|||
|
200-299.9 |
Φd + 30 |
50 |
15 |
|||
|
300-599.9 |
Φd + 40 |
63 |
20 |
|||
|
> 600 |
Φd + 40 |
80 |
20 |
|||
|
> 1000 |
Φd + 50 |
100 |
25 |
|||

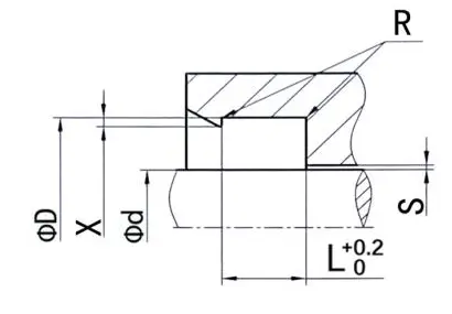
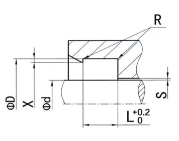
RCS119
Taille de commande
Φd ...... diamètre extérieur
Φd ...... diamètre intérieur
L ...... Largeur de groove
|
Finition de surface |
R tmax (μm) |
RA (μM) |
|
Joints de conduite en caoutchouc / polyuréthane de surface coulissante Sceaux PTFE correspondant à la surface coulissante |
≤2,5
≤2 |
≤0,1-0.5
≤0,05-0.3 |
|
Groove Bottom Côté rainure |
≤6,3 ≤15 |
≤1,6 ≤3 |
|
Rapport de longueur de support du profil TP |
50% -95% |
|
|
Tolérance |
|
|
Φd |
f8 |
|
Φd |
H10 |
Exemple de commande
Modèle: RCS119
Groove Taille: 100x109.4x7.1
Matériel: PTFE2 + NBR

Type d'étanchéité: RCS119
Application principale: industrie chimique, cylindres rapides et machines de positionnement. Industrie alimentaire, industrie pharmaceutique.
Avantages: résistant aux températures élevées et aux divers milieux chimiques, coefficient de frottement faible, pas de fluage, bonnes caractéristiques de frottement sèche, valeurs statiques faibles et frottives.
Matériel: Ptfe + Leaf Spring
|
Exemples de rainure |
Voici les dimensions de rainure standard (les joints de poussière de toute taille dans la plage de taille peuvent être produits) |
|||||||||
|
|
|
Φd |
Φd |
L |
R |
X |
Écart d'extrusion maximal |
|||
|
100 bar |
200 bar |
400 bar |
||||||||
|
10-19.9 |
D + 4.5 |
3.6 |
0.4 |
0.6 |
0.15 |
0.10 |
0.07 |
|||
|
20-39.9 |
D + 6.2 |
4.8 |
0.6 |
0.7 |
0.20 |
0.15 |
0.08 |
|||
|
40-119.9 |
D + 9.4 |
7.1 |
0.8 |
0.8 |
0.25 |
0.20 |
0.10 |
|||
|
120-1000 |
D + 12.2 |
9.5 |
0.8 |
0.9 |
0.30 |
0.25 |
0.12 |
|||
|
> 1000 |
D + 19,0 |
15 |
0.8 |
0.9 |
0.50 |
0.40 |
0.20 |
|||



















































































Adresse
No.1 Ruichen Road, parc industriel de Dongliuting, district de Chengyang, ville de Qingdao, province du Shandong, Chine
Tél